Some Cool Title
As mentioned, this project was executed with a cost equivalent to 28% of the initial budget estimate. To achieve this, I significantly reduced manufacturing costs by optimizing expenses across various sections wherever possible. For instance, I initially intended to implement the product delivery mechanism using conventional methods, specifically a standard DC geared motor. However, since a large number of these mechanisms were required per machine, I designed a new, innovative mechanism with a novel approach, and built a prototype.
This new mechanism eliminates the use of geared electromotors, which also have a short service life. Following the successful testing of this innovative mechanism, I decided to scale it up for semi-industrial mass production
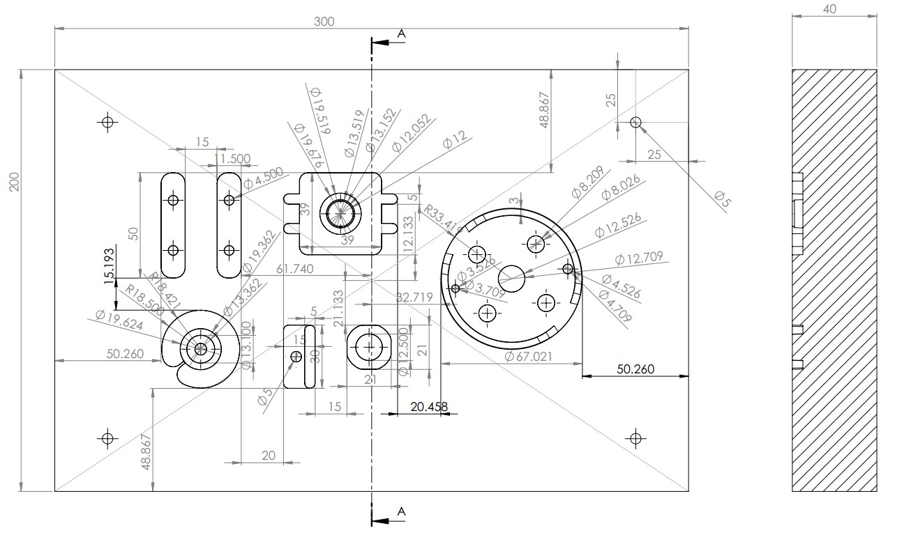
This mechanism consists of various parts and components, mainly made of plastic (Polyethylene). For this purpose, I designed and subsequently manufactured the relevant plastic injection molds. To significantly reduce costs, instead of creating one mold for each part, I successfully managed to place and balance all components within just two molds. By doing so, I consolidated all necessary parts into 2 injection molds, instead of designing and manufacturing a minimum of 14 molds.
Below is a view of the components/parts utilized in the plastic injection molds for manufacturing the Vending Machine's product delivery mechanism.
For the device control section, the ILUM2440 embedded system was utilized as the central controller. The programming for this embedded system was carried out on the Qt Enterprise platform specifically developed for this system, running under the Linux/Ubuntu operating system.
A view of this embedded system and the programming platform is shown in the images below.
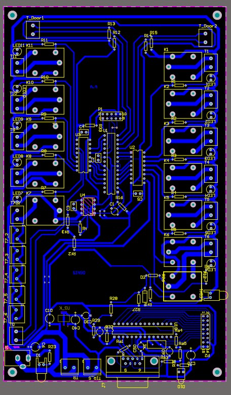
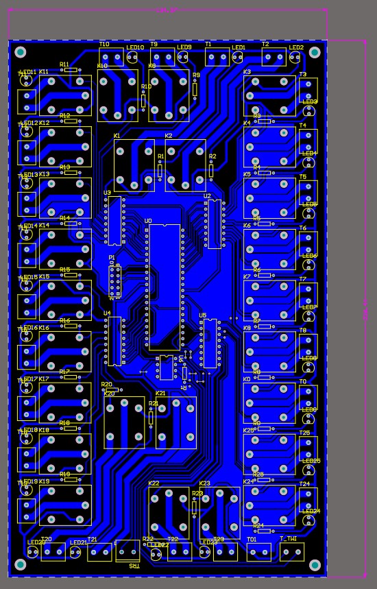
Multiple interface drivers are utilized in this device, responsible for controlling its electromechanical system.
Views of the PCB design and the interface controller boards of this vending machine are shown in the images below.
One of the special features of this vending machine is its capability for **remote data transmission and reception**. This feature was implemented using a network infrastructure, specifically the Internet.
Data is exchanged between the central controller and the monitoring/control server via communication protocols such as TCP/IP, FTP, and HTTPS. For the security of this bidirectional communication, a custom encryption protocol was implemented.
Below is a view illustrating the various components of the Vending Machine's remote data exchange system.
The video below shows the initial testing of the device during the Research and Development (R&D) phase of the project.
