Some Cool Title
This mechanism is the second version developed for the electronic test (ET) of condoms. In the main project, a device was built that can test all types of condoms for thickness in three different voltage zones and sort out condoms with holes.
This system was used in the research and development phase of the project to develop and manufacture condom testers.
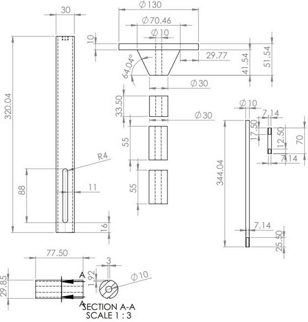
The plan for laser cutting the thick metal parts of this mechanism is shown in the figure below. This design is nested so that we have as little sheet metal waste as possible.
As the main project progressed, different parts of the mechanism were changed and new plans were implemented after the problems were solved. In the following videos you can see the different phases of testing this mechanism. In the following video you can see different parts of the mechanism. As the project progressed, different parts of the mechanism were changed and new plans were implemented after the problems were solved.
