Some Cool Title
This mechanism is the first version developed for the electronic test (ET) of condoms. As part of the main project, a device was built that can test all types of condoms for thickness in three different voltage zones and reject condoms with holes.
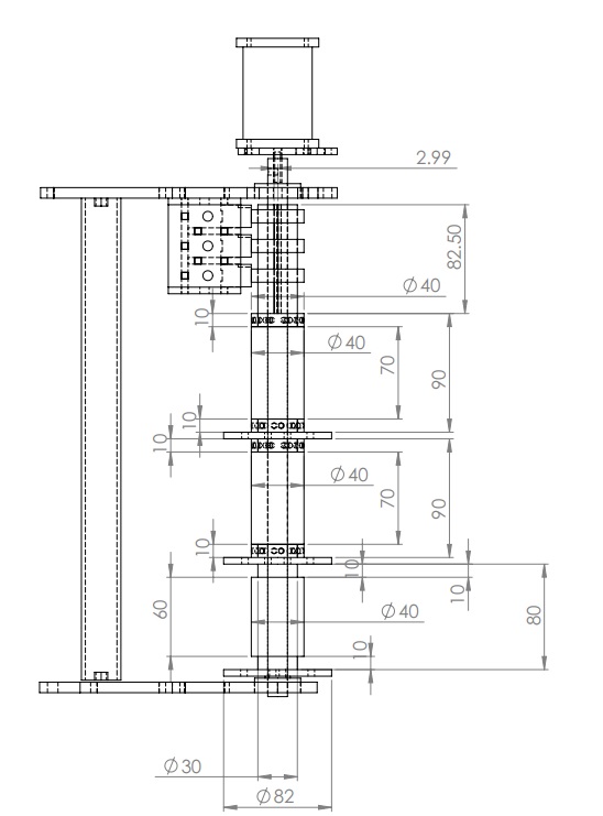
The plan for laser cutting the thick metal parts of this mechanism is shown in the figure below. This design is nested so that we have as little sheet metal waste as possible.
Various parts of this mechanism can be seen in the video below. As the project progressed, different parts of the mechanism were changed and new plans were implemented after the problems were solved.
