Some Cool Title
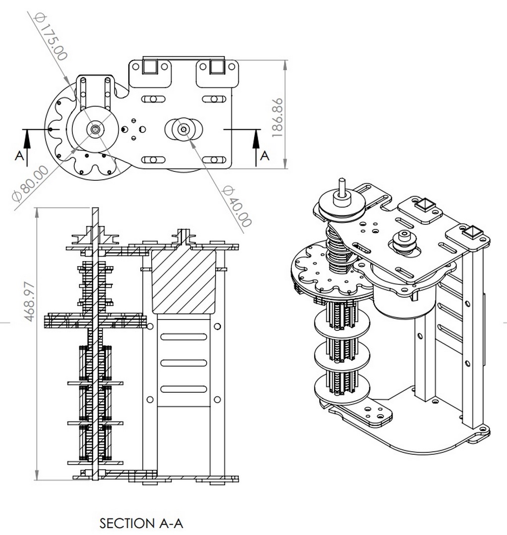
This mechanism is the fourth version developed for the electronic test (ET) of condoms. In the main project, a device was built that can test all types of condoms for thickness in three different voltage zones and sort out condoms with holes.
This system was used in the research and development phase of the project to develop and manufacture condom testers.
As the main project progressed, different parts of the mechanism were changed and new plans were implemented after the problems were solved. In the following videos, the different phases of testing this mechanism are shown.
